2024-01-15 09:23
已查看146次
GB 19342-2013牙刷毛束拉力的測試本標準規定了牙刷的術語和定義,要求,試驗方法,檢驗規則、標志,包裝、運輸,貯存。本標準適用于手動的成人植毛牙刷。不適用于特殊型、功能型牙刷(如:全注膠毛牙刷)和電動牙刷。本篇文章山東普創工業科技有限公司帶您了解牙刷的物理測試方法。
檢測儀器:
ETT-AM電子拉力試驗機

5.5.1毛束拉力
5.5.1.1試驗裝置:拉力試驗機(最小分度值為0.1 N)、刷頭夾具,刷毛夾。
5.5.1.2試樣制備:每支牙刷任留一束毛,其余刷毛去除。在溫度(20士5)℃條件下,恒溫4 h。
5.5.1.3 試驗條件:溫度(20士5)℃,拉力試驗機升降速度為勻速(90士10)mm/ min。
5.5.1.4︰試驗步驟:將刷頭通過刷頭夾具連接在拉力試驗機的下鉗口上(刷毛向上),刷毛夾連接在拉力試驗機的上鉗口上,刷毛夾對準并夾住所留的毛束(見圖3)。開動拉力試驗機,讀取毛束脫落時拉力試驗機的讀數。

根據GB19342-2013標準為您提供牙刷的頸部抗彎力測試。
檢測儀器:
ETT-AM電子拉力試驗機
5.5.3頸部抗彎力
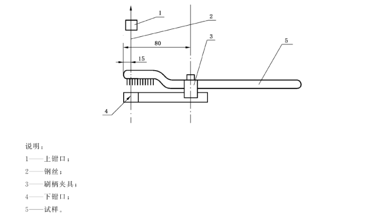
5.5.3.1試樣裝置:拉力試驗機(最小分度值為0.1 N)、鋼絲,刷柄夾具。
5.5.3.2﹑試樣制備:自刷頭頂端量至15 mm處作第一標記,再從頂端量至80 mm處作第二標記,在溫度(20士5)℃條件下,恒溫4 h。
5.5.3.3試驗條件:溫度(20士5)℃,拉力試驗機升降速度為勻速(100士10)mm/ min。
5.5.3.4﹑試驗步驟:將直徑2 mm,長約250 mm 的鋼絲對折放入拉力試驗機的上鉗口中夾住,刷柄夾具連接在拉力試驗機的下鉗口中,刷柄放入刷柄夾具中并固定在第二標記處(刷毛向下),鋼絲套在第一標記處(見圖5),開動拉力試驗機,讀取試樣斷裂時的讀數或彎曲限仍不斷時停止加荷。

查看更多 >
?查看更多 >
?查看更多 >
?查看更多 >
?查看更多 >
?查看更多 >
?
聯系我們